あやの
NゲージをベースとしたDCCについての日記を 書いています。 ある程度貯まりましたら、鉄道模型のDCCのまとめサイトに まとめています。 借りている容量が最大に達しましたので、移転します。 ★移転先:http://maison-dcc.sblo.jp/
×
[PR]上記の広告は3ヶ月以上新規記事投稿のないブログに表示されています。新しい記事を書く事で広告が消えます。
KATO南武線に入っていたライトユニット をDF19x4ssに接続してみます。
おー理論通り動きました!。
ライトユニット のダイオード2個撤去、ストラップ3本必要なのであれですけど、
片極性タイプのデコーダーでも両極性として使えることがわかりました。
でも、KATOのライトユニット はヘッドライト、テールライトが別回路でできているので、
+12VをLEDのアノードに、 FX0,FX1をそれぞれのLEDに繋ぐだけです(^^;;
こんな変な改造は不要です。(ダイオード取らなくてもいいし)
一方、LED2個、抵抗1個実装されているタイプは有効です。
以下、実験編w
気になっていたダイオードですが、Vfを測定すると0.551V
一方LEDのVfを測定するとテスターのダイオード測定モードでは測れなかったので、
実際12Vを印加して光らせました。
Vfは2.938V高いですね。
よって、Vfの低いダイオードに電流が流れてしまいLEDが光らないので、
撤去します。
2個外しました。(白っぽいのはコクヨのひっつきむしです。第三の手ですw)
3本ポリウレタン銅線を使って引き出します。
LEDを並列に繋ぐストラップ2本と、560Ω両方に12Vを供給するストラップ1本を
下降します。
仮なので、ブレッドボードを使って接続しました。
車両実装時は金メッキ部分はカプトンテープ等で絶縁が必要です。
もう一方の、PNP型のデジタルトランジスタ+定電流ダイオードで試す方は
某所で実験してくれるそうなので、その結果を待ちます(^^;
(手持ちに定電流ダイオードがなかったので実験中にデコーダー壊すのも嫌だなとw)
おー理論通り動きました!。
ライトユニット のダイオード2個撤去、ストラップ3本必要なのであれですけど、
片極性タイプのデコーダーでも両極性として使えることがわかりました。
でも、KATOのライトユニット はヘッドライト、テールライトが別回路でできているので、
+12VをLEDのアノードに、 FX0,FX1をそれぞれのLEDに繋ぐだけです(^^;;
こんな変な改造は不要です。(ダイオード取らなくてもいいし)
一方、LED2個、抵抗1個実装されているタイプは有効です。
以下、実験編w
気になっていたダイオードですが、Vfを測定すると0.551V
一方LEDのVfを測定するとテスターのダイオード測定モードでは測れなかったので、
実際12Vを印加して光らせました。
Vfは2.938V高いですね。
よって、Vfの低いダイオードに電流が流れてしまいLEDが光らないので、
撤去します。
2個外しました。(白っぽいのはコクヨのひっつきむしです。第三の手ですw)
3本ポリウレタン銅線を使って引き出します。
LEDを並列に繋ぐストラップ2本と、560Ω両方に12Vを供給するストラップ1本を
下降します。
仮なので、ブレッドボードを使って接続しました。
車両実装時は金メッキ部分はカプトンテープ等で絶縁が必要です。
もう一方の、PNP型のデジタルトランジスタ+定電流ダイオードで試す方は
某所で実験してくれるそうなので、その結果を待ちます(^^;
(手持ちに定電流ダイオードがなかったので実験中にデコーダー壊すのも嫌だなとw)
PR
まだ、こだわってやっています。
DCC ファンクッションデコーダーを使ってライトユニットに手を加えずに
接続方法を工夫して両極性デコーダとして使う方法です。
※妄想なのでちゃんと動くか、試していませんのでご注意!
実際のライトユニットはテールライト、ヘッドライトそれぞれに抵抗が付いているタイプと
テールライトとヘッドライトに対して1つの抵抗が付いているタイプがあります。
まずは、KATOのE233系 8000番台 南武線に使われていたライトユニット。
テールライトとヘッドライトにそれぞれ抵抗が付いており、LEDと並列にダイオードが逆方向
に付いています。
(LEDは逆電圧に弱いので、アナログPWM掛けられた時用の保護)
(でもダイオードが悪さしそうなので外したほうがいいかな)
このライトユニット の場合、ライトユニット にストラップを2本追加するだけで、
両極性化できそう。
LED2個に対して抵抗一個のタイプ
このタイプは外付けにライトユニット に載っている同じ抵抗値を外に付ける事で
両極性化できそう。
気が向いたら(暇になったら)実ライトユニット を使ってやってみますね。
DCC ファンクッションデコーダーを使ってライトユニットに手を加えずに
接続方法を工夫して両極性デコーダとして使う方法です。
※妄想なのでちゃんと動くか、試していませんのでご注意!
実際のライトユニットはテールライト、ヘッドライトそれぞれに抵抗が付いているタイプと
テールライトとヘッドライトに対して1つの抵抗が付いているタイプがあります。
まずは、KATOのE233系 8000番台 南武線に使われていたライトユニット。
テールライトとヘッドライトにそれぞれ抵抗が付いており、LEDと並列にダイオードが逆方向
に付いています。
(LEDは逆電圧に弱いので、アナログPWM掛けられた時用の保護)
(でもダイオードが悪さしそうなので外したほうがいいかな)
このライトユニット の場合、ライトユニット にストラップを2本追加するだけで、
両極性化できそう。
LED2個に対して抵抗一個のタイプ
このタイプは外付けにライトユニット に載っている同じ抵抗値を外に付ける事で
両極性化できそう。
気が向いたら(暇になったら)実ライトユニット を使ってやってみますね。
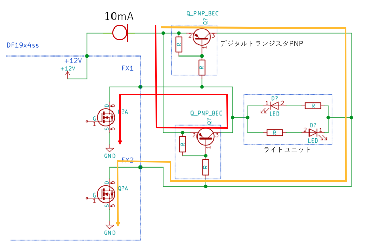
ライトユニットって以下のように電流制限抵抗であったり、定電流ダイオードが入っています。
昨日の回路では、抵抗、定電流ダイオードを撤去しないと成立できませんでした。
ライトユニットを改造しないで、なんか良い方法がないかなと、考えたところ、
デジタルトランジスタを使うと簡単にできそうな気がします。
デジタルトランジスタPNPタイプ2個でいけそうな感じです。(信憑度50%w)
■FX1をONにした時
ベースがLOレベルに引っ張られるので、トランジスタがONします。
あとは下図のようなルートで電流が流れてLEDが点灯します。
■FX2をONにした時
下側のトランジスタがONになって、下図のようなルートで電流が
流れてLEDが点灯します。
一方・・・(^^;
■FX1とFX2が同時にONした時
デコーダ内のFETがショートして燃えますw
12Vラインに保護用の抵抗入れるとLED暗くなるし・・・
良い考えと思ったのにw
■追加(回路保護用に定電流ダイオードを付ける)
12Vラインに例えば10mAクラスの定電流ダイオードを付けておけば、保護として
いい感じです。
昨日の回路では、抵抗、定電流ダイオードを撤去しないと成立できませんでした。
ライトユニットを改造しないで、なんか良い方法がないかなと、考えたところ、
デジタルトランジスタを使うと簡単にできそうな気がします。
デジタルトランジスタPNPタイプ2個でいけそうな感じです。(信憑度50%w)
■FX1をONにした時
ベースがLOレベルに引っ張られるので、トランジスタがONします。
あとは下図のようなルートで電流が流れてLEDが点灯します。
■FX2をONにした時
下側のトランジスタがONになって、下図のようなルートで電流が
流れてLEDが点灯します。
一方・・・(^^;
■FX1とFX2が同時にONした時
デコーダ内のFETがショートして燃えますw
12Vラインに保護用の抵抗入れるとLED暗くなるし・・・
良い考えと思ったのにw
■追加(回路保護用に定電流ダイオードを付ける)
12Vラインに例えば10mAクラスの定電流ダイオードを付けておけば、保護として
いい感じです。
両極性でないデコーダでも接続を工夫することで、ヘッドライト基板を改造しなくても
良いという情報をもらったので、試してみました。
永末システムさんのDF19x4ssを使って、上記の様に抵抗、LEDを接続しました。
※抵抗値は適当なので、LEDに見合った抵抗値に変更してください。
今回使ったLEDは高輝度タイプなので、ちょっと電流をながしただけでよく光ります。
この方式の注意点はFX1をONにした時に、抵抗から12V/4.7k=2.5mA と
LEDから (12V-1.2V)/4.7k=2.3mA
合計4.8mAがFX1に流れ込みます。
(無駄な電流がデコーダーで消費されます)
(DF19x4ssは各FX50mA以内なので全く問題ありません)(※放熱無限大の条件デスw)
全体の接続
DCS50KとSmile Decoder Tester(端子台として使用(^^; DF19x4ss
ブレッドボードにLEDと抵抗を実装しました。
REVERSEにしてテールライトが点灯(LEDが同色ですみません(^^;
FORWARDにしてLEDが点灯
■補足1
LEDのVfは2Vから1.2Vに修正しました。
FX1がONした時の電流が流れるルート
FX2がONした時に、電流が流れるルート
FX1とFX2が両方ONになった時の、電流が流れるルート
抵抗にかかる電力は、
I^Rから、2.5mA ^2 ×4.7kΩ=0.029W
抵抗のディレーティングは50%以下で使いたいので・・・、まぁなんでも良いですね。
■補足2
ライトユニットに乗っている抵抗や定電流ダイオードは外してストラップしておかないと
この回路は成立しません。
良いという情報をもらったので、試してみました。
永末システムさんのDF19x4ssを使って、上記の様に抵抗、LEDを接続しました。
※抵抗値は適当なので、LEDに見合った抵抗値に変更してください。
今回使ったLEDは高輝度タイプなので、ちょっと電流をながしただけでよく光ります。
この方式の注意点はFX1をONにした時に、抵抗から12V/4.7k=2.5mA と
LEDから (12V-1.2V)/4.7k=2.3mA
合計4.8mAがFX1に流れ込みます。
(無駄な電流がデコーダーで消費されます)
(DF19x4ssは各FX50mA以内なので全く問題ありません)(※放熱無限大の条件デスw)
全体の接続
DCS50KとSmile Decoder Tester(端子台として使用(^^; DF19x4ss
ブレッドボードにLEDと抵抗を実装しました。
REVERSEにしてテールライトが点灯(LEDが同色ですみません(^^;
FORWARDにしてLEDが点灯
■補足1
LEDのVfは2Vから1.2Vに修正しました。
FX1がONした時の電流が流れるルート
FX2がONした時に、電流が流れるルート
FX1とFX2が両方ONになった時の、電流が流れるルート
抵抗にかかる電力は、
I^Rから、2.5mA ^2 ×4.7kΩ=0.029W
抵抗のディレーティングは50%以下で使いたいので・・・、まぁなんでも良いですね。
■補足2
ライトユニットに乗っている抵抗や定電流ダイオードは外してストラップしておかないと
この回路は成立しません。
ブログ内検索
カテゴリー
最新記事
(12/31)
(12/31)
(12/29)
(12/23)
(12/18)
リンク
プロフィール
HN:
あやのすけ
性別:
非公開