あやの
NゲージをベースとしたDCCについての日記を 書いています。 ある程度貯まりましたら、鉄道模型のDCCのまとめサイトに まとめています。 借りている容量が最大に達しましたので、移転します。 ★移転先:http://maison-dcc.sblo.jp/
×
[PR]上記の広告は3ヶ月以上新規記事投稿のないブログに表示されています。新しい記事を書く事で広告が消えます。
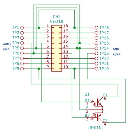
この基板をDCC化した車両に実装すると、アナログ化できる基板の組み立てを紹介します。
Next18 Analog Boardの組み立て方法
Next18 Analog Boardマニュアル
あやの通販で配布しています!

Next18 Analog Boardの組み立て方法
Next18 Analog Boardマニュアル
あやの通販で配布しています!
PR
Next18 Adapterシリーズがたくさんあるので、まとめのWebページを用意しました。
とりあえず、ベースを作りましたので、書く基板の使用例等は今後追記していく予定です。
Next18 Analog boardを紹介していますが、使ってみたいという方がいらっしゃいましたら、
言ってください。
http://dcc.client.jp/next18.html
とりあえず、ベースを作りましたので、書く基板の使用例等は今後追記していく予定です。
Next18 Analog boardを紹介していますが、使ってみたいという方がいらっしゃいましたら、
言ってください。
http://dcc.client.jp/next18.html
こりずに、Next18アダプタシリーズに新作を追加です。
・Next18 車両側アダプタ TR !
ロジック出力のAux3,Aux4にデジタルトランジスタを搭載させたアダプタです。
デジタルトランジスタを半田面側に実装するタイプと部品面側に実装するタイプの
2タイプをご用意w
写真上:デジタルトランジスタを部品面側に配置
写真下:デジタルトランジスタをはんだ面側に配置
ツイッター
Next18コネクタの半田付け1
Next18コネクタの半田付け2
LaisDccを取り付けての動作確認
SmileDecoderNext18に接続して確認
あやの配布サイトで配付中
(最近、エコ包装(袋に配布品が入っているだけ)になっております、
作り方や説明は、あやの配布サイトをご覧ください)
・Next18 車両側アダプタ TR !
ロジック出力のAux3,Aux4にデジタルトランジスタを搭載させたアダプタです。
デジタルトランジスタを半田面側に実装するタイプと部品面側に実装するタイプの
2タイプをご用意w
写真上:デジタルトランジスタを部品面側に配置
写真下:デジタルトランジスタをはんだ面側に配置
ツイッター
Next18コネクタの半田付け1
Next18コネクタの半田付け2
LaisDccを取り付けての動作確認
SmileDecoderNext18に接続して確認
あやの配布サイトで配付中
(最近、エコ包装(袋に配布品が入っているだけ)になっております、
作り方や説明は、あやの配布サイトをご覧ください)
なごでんさんから配布されているSmileDecoderNext18を動かしてみました。
私のDecoderTesterに取り付けて、軽く動かしました。
ちょっとした動画
SmileDecoderNext18は7pinと16pinにAux6,5が割り当てられていますが
Decoder TesterはLokSound5に合わせてスピーカーへ繋がっているので
ファンクションの確認はできません。
(スピーカーをEXTにして、ESU AUX to TR 基板を接続すればok)
なごでんさんのNEXT18 Decoder Test BoardにSmileDecoderNext18を
取り付けて、動かしてみました。
モーターとDCC信号は私のDecoderTesterから供給。
車両が用意できてないので(^^; こんな形ですが・・・
車両側にNext18コネクタが実装されていれば、ポン付けでDCC化できるので
非常に便利です!
それと、スケッチをいじれば自分の好きなデコーダにカスタムもできます。
私のDecoderTesterに取り付けて、軽く動かしました。
ちょっとした動画
SmileDecoderNext18は7pinと16pinにAux6,5が割り当てられていますが
Decoder TesterはLokSound5に合わせてスピーカーへ繋がっているので
ファンクションの確認はできません。
(スピーカーをEXTにして、ESU AUX to TR 基板を接続すればok)
なごでんさんのNEXT18 Decoder Test BoardにSmileDecoderNext18を
取り付けて、動かしてみました。
モーターとDCC信号は私のDecoderTesterから供給。
車両が用意できてないので(^^; こんな形ですが・・・
車両側にNext18コネクタが実装されていれば、ポン付けでDCC化できるので
非常に便利です!
それと、スケッチをいじれば自分の好きなデコーダにカスタムもできます。
ブログ内検索
カテゴリー
最新記事
(12/31)
(12/31)
(12/29)
(12/23)
(12/18)
リンク
プロフィール
HN:
あやのすけ
性別:
非公開

