忍者ブログ

あやの

NゲージをベースとしたDCCについての日記を 書いています。 ある程度貯まりましたら、鉄道模型のDCCのまとめサイトに まとめています。 借りている容量が最大に達しましたので、移転します。 ★移転先:http://maison-dcc.sblo.jp/

2025/10    09« 1  2  3  4  5  6  7  8  9  10  11  12  13  14  15  16  17  18  19  20  21  22  23  24  25  26  27  28  29  30  31  »11
×

[PR]上記の広告は3ヶ月以上新規記事投稿のないブログに表示されています。新しい記事を書く事で広告が消えます。

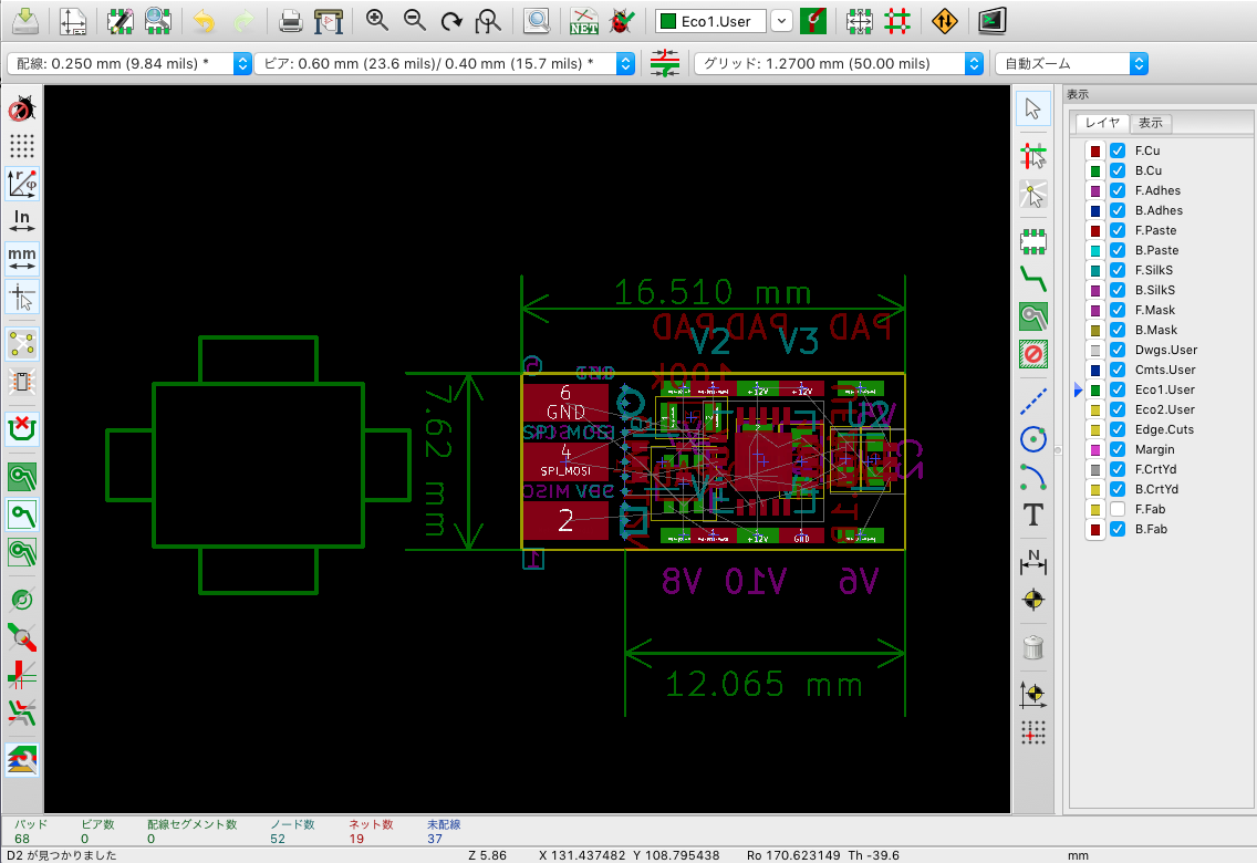
ちょこっとSmileFunctionDecoderSlim(両極性+2FX FunctionDecoder)に向かいました。





FL12と比べると十分に小さいでしょ!



パターンは明日検討してみるかな。

拍手[2回]

PR
お名前
タイトル
メール(非公開)
URL
文字色
絵文字 Vodafone絵文字 i-mode絵文字 Ezweb絵文字
コメント
パスワード   コメント編集に必要です
管理人のみ閲覧

ブログ内検索

プロフィール

HN:
あやのすけ
性別:
非公開
<< Back  | HOME Next >>
Copyright ©  -- あやの --  All Rights Reserved
Design by CriCri / Material by もずねこ / powered by NINJA TOOLS / 忍者ブログ / [PR]