あやの
NゲージをベースとしたDCCについての日記を 書いています。 ある程度貯まりましたら、鉄道模型のDCCのまとめサイトに まとめています。 借りている容量が最大に達しましたので、移転します。 ★移転先:http://maison-dcc.sblo.jp/
×
[PR]上記の広告は3ヶ月以上新規記事投稿のないブログに表示されています。新しい記事を書く事で広告が消えます。
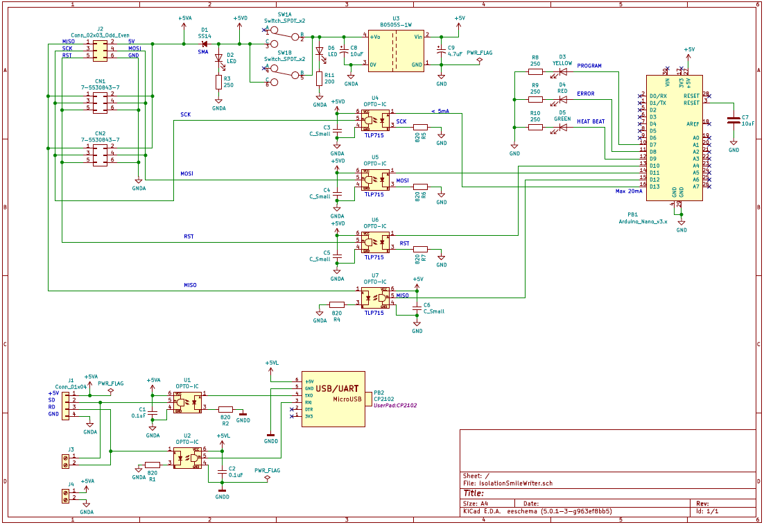
Isolataion Smile Writerを作りましたのでちょっと紹介。
スマイルデコーダの開発はArduino IDEでプログラム(スケッチ)を作成して、
Smile Writerを使ってデコーダにプログラム(スケッチ)を書き込みます。
DCCにつなげる時は、Smile Writerからデコーダを外して動作確認を行います。
この時、SmileWriterからデコーダを外さずにDCC信号を入れると、予期せぬ電圧がかかったり
した場合、パソコンのUSBポートからDCC電圧が入り込み故障させてしまう事例があります。
そこで、パソコンとDCC信号を絶縁させたIsolation Smile Writerを作りました。
ついでに、コンソールデバックポートも用意して、且つシリアル通信も絶縁させました。
ブロック図はこんな感じ
基板はちょっと失敗しちゃって、大改造(^^;
このように接続して使用します。
ちょっとわかりづらいですが、Smile servo motor DecoderをSmile Connectorに
実装していまして、この状態でスケッチ書き換え、シリアルデバック、
する環境ができています!(便利!)
パソコン側は、ArduinoIDEとシリアルデバック用のTeraTermを開いて使用します。
このIsolation Smile Writerがあれば、安心してデコーダ開発ができるようになりました。
スマイルデコーダの開発はArduino IDEでプログラム(スケッチ)を作成して、
Smile Writerを使ってデコーダにプログラム(スケッチ)を書き込みます。
DCCにつなげる時は、Smile Writerからデコーダを外して動作確認を行います。
この時、SmileWriterからデコーダを外さずにDCC信号を入れると、予期せぬ電圧がかかったり
した場合、パソコンのUSBポートからDCC電圧が入り込み故障させてしまう事例があります。
そこで、パソコンとDCC信号を絶縁させたIsolation Smile Writerを作りました。
ついでに、コンソールデバックポートも用意して、且つシリアル通信も絶縁させました。
ブロック図はこんな感じ
基板はちょっと失敗しちゃって、大改造(^^;
このように接続して使用します。
ちょっとわかりづらいですが、Smile servo motor DecoderをSmile Connectorに
実装していまして、この状態でスケッチ書き換え、シリアルデバック、
する環境ができています!(便利!)
パソコン側は、ArduinoIDEとシリアルデバック用のTeraTermを開いて使用します。
このIsolation Smile Writerがあれば、安心してデコーダ開発ができるようになりました。
PR
ブログ内検索
カテゴリー
最新記事
(12/31)
(12/31)
(12/29)
(12/23)
(12/18)
リンク
プロフィール
HN:
あやのすけ
性別:
非公開
| HOME |

