あやの
NゲージをベースとしたDCCについての日記を 書いています。 ある程度貯まりましたら、鉄道模型のDCCのまとめサイトに まとめています。 借りている容量が最大に達しましたので、移転します。 ★移転先:http://maison-dcc.sblo.jp/
×
[PR]上記の広告は3ヶ月以上新規記事投稿のないブログに表示されています。新しい記事を書く事で広告が消えます。
両極性化基板(両極性化回路)の説明
デコーダーにアナログ用ライトユニットを取り付けようと思っても実は簡単に取り付きません。
ライトユニットのパターンをカットしたりストラップが必要になります。
※ただし永末さんの両極性に対応したデコーダーを使用されれば加工の必要はありません。
そこで、両極性化基板を使うと、ライトユニットを改造しなくても取り付ける事ができます。
※ただしコンデンサとか余計なものが付いているライトユニットは外す必要があります。
●アナログ車両用のライトユニットについて
一般的なアナログ車両用のライトユニットの回路は以下のようになっています。
電流制限抵抗(CRDタイプもあるかな?)とヘッドライト用LEDとテールライト用LEDで
構成されています。
レールの電圧(極性)で、ヘッドライトが点灯または、テールライトが点灯します。
■ヘッドライト点灯
電流は+12Vから0Vに向かって流れますので、赤矢印の方向で電流がながれて、LEDが
点灯します。
■テールライト点灯
●DCC用デコーダのお話になります。
一般的なデコーダにLEDを接続する場合は、青線(12V)から抵抗または定電流ダイオードを
介してLEDに接続して、白線、または黄線に接続します。
(コラム:LEDに流れる電流を制限する抵抗またはCRDを付けないとLEDが閃光を放って故障
デコーダ内のトランジスタから煙が出て故障します)
デコーダにライトユニットを取り付ける用にするには、以下の図のような改造が必要になります
今までは、DCC化するには、皆さん改造してきていましたが・・・
※改造規模はライトユニットの構成によって変わります。
●両極性基板の登場
DCCデコーダとライトユニットの間に取り付けるだけで、ヘッドライト、テールライトの
点灯をうまく切り替えます。
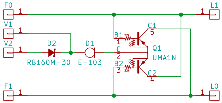
●両極性化基板(両極性化回路)の動作原理
定電流ダイオードとPNPタイプのトランジスタで構成されています。
定電流ダイオードを入れた当初の考えは白と赤のファンクションを同時にONにしたときに、
デコーダ内のトランジスタが12Vと短絡して故障してしまうのを防ぐために入れました。
PNPトランジスタはベース電流をデコーダーで引っ張られると、トランジスタがONして
LEDが点灯する仕組みになっています。
●デコーダで白線をONにした時のLEDが点灯する仕組み
●デコーダで黄線をONにした時のLEDが点灯する仕組み
●両極性化基板の配布について
完成品はDeskopstationの通販で入手ができます。
はんだ付けの腕に自信がある方はKIT品があやの配布で入手ができます。
CRD:定電流ダイオード
LED:発光ダイオード
※なお両極性デコーダは麦球などの大きな電流が流れるタイプには向きません。(故障します)
デコーダーにアナログ用ライトユニットを取り付けようと思っても実は簡単に取り付きません。
ライトユニットのパターンをカットしたりストラップが必要になります。
※ただし永末さんの両極性に対応したデコーダーを使用されれば加工の必要はありません。
そこで、両極性化基板を使うと、ライトユニットを改造しなくても取り付ける事ができます。
※ただしコンデンサとか余計なものが付いているライトユニットは外す必要があります。
●アナログ車両用のライトユニットについて
一般的なアナログ車両用のライトユニットの回路は以下のようになっています。
電流制限抵抗(CRDタイプもあるかな?)とヘッドライト用LEDとテールライト用LEDで
構成されています。
レールの電圧(極性)で、ヘッドライトが点灯または、テールライトが点灯します。
■ヘッドライト点灯
電流は+12Vから0Vに向かって流れますので、赤矢印の方向で電流がながれて、LEDが
点灯します。
■テールライト点灯
●DCC用デコーダのお話になります。
一般的なデコーダにLEDを接続する場合は、青線(12V)から抵抗または定電流ダイオードを
介してLEDに接続して、白線、または黄線に接続します。
(コラム:LEDに流れる電流を制限する抵抗またはCRDを付けないとLEDが閃光を放って故障
デコーダ内のトランジスタから煙が出て故障します)
デコーダにライトユニットを取り付ける用にするには、以下の図のような改造が必要になります
今までは、DCC化するには、皆さん改造してきていましたが・・・
※改造規模はライトユニットの構成によって変わります。
●両極性基板の登場
DCCデコーダとライトユニットの間に取り付けるだけで、ヘッドライト、テールライトの
点灯をうまく切り替えます。
●両極性化基板(両極性化回路)の動作原理
定電流ダイオードとPNPタイプのトランジスタで構成されています。
定電流ダイオードを入れた当初の考えは白と赤のファンクションを同時にONにしたときに、
デコーダ内のトランジスタが12Vと短絡して故障してしまうのを防ぐために入れました。
PNPトランジスタはベース電流をデコーダーで引っ張られると、トランジスタがONして
LEDが点灯する仕組みになっています。
●デコーダで白線をONにした時のLEDが点灯する仕組み
●デコーダで黄線をONにした時のLEDが点灯する仕組み
●両極性化基板の配布について
完成品はDeskopstationの通販で入手ができます。
はんだ付けの腕に自信がある方はKIT品があやの配布で入手ができます。
CRD:定電流ダイオード
LED:発光ダイオード
※なお両極性デコーダは麦球などの大きな電流が流れるタイプには向きません。(故障します)
PR
DIGITRAXのDZ126デコーダで両極性化基板を使ってみたの続き
どういうルートでLEDが薄く光るのか考えてみました。
昨日の波形ですが、
黄色:DCC信号 水色:DECODER白線 桃色:DECODER黄線
水色がDCC信号の立ち上がりでヒゲ状のパルス波形が見えて、DCCがHIレベルになると共に
傾斜をかけて上昇、DCCがLOレベルになると下降していました。
勝手な想像が始まりますw
1、DCC信号がHIになると、デジタルトランジスタの抵抗を通りDECODER内の
容量成分に充電。(ダイオードが書き込んでありますが無い状態と見てください)
2、その際ベース電流が引っ張られるので、デジタルトランジスタがONして水色のルートで
電流が流れて、LEDが点灯
3、DCC信号がLOになるとデジタルトランジスタの寄生ダイオードを通って、デーコーダー内の
容量成分から緑のルートでエネルギー抜けてLEDが点灯
※定電流ダイオードに逆電圧が掛かると逆に電流が流れてしまいます。
デコーダー側の容量成分がよくわかりませんが、デコーダー側で使用している
トランジスタかFETの浮遊容量を抜けてDCC信号のパルス波形で勝手にONしているか
でしょうか。
黄線と白線で波形が異なるのも気になる所ですがまぁ、いいかな(^^;
というわけで、RAIL信号(DCC信号)を使うと、DUTY(ON/OFFの比率)が50%なので、
若干暗くなるのと、変な電流が流れるので、あまりオススメしません。
デコーダーの+12Vを使用すると変な電流が流れないし、ダイオードが省略できます。
どういうルートでLEDが薄く光るのか考えてみました。
昨日の波形ですが、
黄色:DCC信号 水色:DECODER白線 桃色:DECODER黄線
水色がDCC信号の立ち上がりでヒゲ状のパルス波形が見えて、DCCがHIレベルになると共に
傾斜をかけて上昇、DCCがLOレベルになると下降していました。
勝手な想像が始まりますw
1、DCC信号がHIになると、デジタルトランジスタの抵抗を通りDECODER内の
容量成分に充電。(ダイオードが書き込んでありますが無い状態と見てください)
2、その際ベース電流が引っ張られるので、デジタルトランジスタがONして水色のルートで
電流が流れて、LEDが点灯
3、DCC信号がLOになるとデジタルトランジスタの寄生ダイオードを通って、デーコーダー内の
容量成分から緑のルートでエネルギー抜けてLEDが点灯
※定電流ダイオードに逆電圧が掛かると逆に電流が流れてしまいます。
デコーダー側の容量成分がよくわかりませんが、デコーダー側で使用している
トランジスタかFETの浮遊容量を抜けてDCC信号のパルス波形で勝手にONしているか
でしょうか。
黄線と白線で波形が異なるのも気になる所ですがまぁ、いいかな(^^;
というわけで、RAIL信号(DCC信号)を使うと、DUTY(ON/OFFの比率)が50%なので、
若干暗くなるのと、変な電流が流れるので、あまりオススメしません。
デコーダーの+12Vを使用すると変な電流が流れないし、ダイオードが省略できます。
両極性化基板上のダイオードを入れないと、F0 OFF時にLEDが薄っすら光るという
事象もあったので確認してみました。
■結果
DZ126に両極性化基板を使って+12VをRAILから取得する場合はダイオード必要
DZ126に両極性化基板を使って+12VをDZ126から取得する場合はダイオード不要
SmileFunctionDecoderに両極性化基板を使って+12VをRAILから取得する場合はダイオード不要
SmileFunctionDecoderに両極性化基板を使って+12VをSmileFunctionDecoderから取得する場合はダイオード不要
※DC12VはDZ126から取らないで、RAIL+から取ります。
あー確かに、F0 OFFで薄っすら点灯します。
等価回路
オシロスコープを繋げて、CH1 DCC、CH2 デコーダ白線、CH3 デコーダ黄線につなぎました。
F0 OFF時の波形をDZ126とSmileFunctionDecoderで比較してみました。
左がダイオード無し、右がダイオード有り
OFFなので、デコーダの白、黄線には、DCC信号と同じ波形が見えるはずです。
ですが、DZ126のトランジスタになんか容量成分(コンデンサ)があって、
薄くLEDを点灯させているようですね。
SmileFunctionDecoderはDCC信号と同じ波形が見えます。(誤点灯無し)
F0をONにした時。
プローピング
DZ126のCOMはココ
その2に続きます。
事象もあったので確認してみました。
■結果
DZ126に両極性化基板を使って+12VをRAILから取得する場合はダイオード必要
DZ126に両極性化基板を使って+12VをDZ126から取得する場合はダイオード不要
SmileFunctionDecoderに両極性化基板を使って+12VをRAILから取得する場合はダイオード不要
SmileFunctionDecoderに両極性化基板を使って+12VをSmileFunctionDecoderから取得する場合はダイオード不要
※DC12VはDZ126から取らないで、RAIL+から取ります。
あー確かに、F0 OFFで薄っすら点灯します。
等価回路
オシロスコープを繋げて、CH1 DCC、CH2 デコーダ白線、CH3 デコーダ黄線につなぎました。
F0 OFF時の波形をDZ126とSmileFunctionDecoderで比較してみました。
左がダイオード無し、右がダイオード有り
OFFなので、デコーダの白、黄線には、DCC信号と同じ波形が見えるはずです。
ですが、DZ126のトランジスタになんか容量成分(コンデンサ)があって、
薄くLEDを点灯させているようですね。
SmileFunctionDecoderはDCC信号と同じ波形が見えます。(誤点灯無し)
F0をONにした時。
プローピング
DZ126のCOMはココ
その2に続きます。
Webページの方にまとめ記事を書きました
ショットキバリアダイオードは、+12Vの電源をデコーダからで無く、RAILから取った場合の
ファンクッションOFF時に LEDが薄く点灯してしまう現象を抑える為に入れていましたが、
オプションにしました。
ショットリバリア、定電流ダイオードのランドは削除してSMT専用にしました。
PADも左右に配置して配線しやすい様に長めにしました。
ショットキバリアダイオードは、+12Vの電源をデコーダからで無く、RAILから取った場合の
ファンクッションOFF時に LEDが薄く点灯してしまう現象を抑える為に入れていましたが、
オプションにしました。
ショットリバリア、定電流ダイオードのランドは削除してSMT専用にしました。
PADも左右に配置して配線しやすい様に長めにしました。
ブログ内検索
カテゴリー
最新記事
(12/31)
(12/31)
(12/29)
(12/23)
(12/18)
リンク
プロフィール
HN:
あやのすけ
性別:
非公開

