あやの
NゲージをベースとしたDCCについての日記を 書いています。 ある程度貯まりましたら、鉄道模型のDCCのまとめサイトに まとめています。 借りている容量が最大に達しましたので、移転します。 ★移転先:http://maison-dcc.sblo.jp/
×
[PR]上記の広告は3ヶ月以上新規記事投稿のないブログに表示されています。新しい記事を書く事で広告が消えます。
赤丸の部分をハンダ等でブリッジさせます。
今回もNGDCCさんのDF19x4ssに両極性変換基板を接続してライトユニット に
接続しました。
両極性化基板には、+24Vとヘッドライトとテールライトの配線だけ
接続しています。
ヘッドライト点灯しました。
テールライト点灯しました。
ライトユニット への配線は従来の4本から、2本に減ります。
今回もNGDCCさんのDF19x4ssに両極性変換基板を接続してライトユニット に
接続しました。
両極性化基板には、+24Vとヘッドライトとテールライトの配線だけ
接続しています。
ヘッドライト点灯しました。
テールライト点灯しました。
ライトユニット への配線は従来の4本から、2本に減ります。
タイトル長w
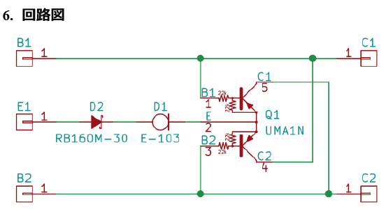
先頭車両のライト基板を無改造で片極性デコーダーにつなげちゃおうという
例の基板が出来上がりました。
前回までの記事はこちら
できた基板はこんな感じです。大きさの参考としてFL12を載せました。
試しに5枚実装。
ROHMのUMA1NTRの実装がつらい;
定電流ダイオードとショットキバリアダイオードはちょっと奮発して
表面実装タイプを買ってきました。
ライナーから切り離して、ちょっとバリをヤスって完成です。
久しぶりにサージカルルーペを使いましたw
デコーダーテスターの端っこはヘッドライトとテールライトを想定した
両極型なので、NGDCCさんの DF19x4ss に両極性変換基板を接続して
Forwardでヘッドライト点灯
Recerseでテールライト点灯
というわけで、上手く動きました!
車両をDCC化する際にどうしてもライトユニットの改造が必要でしたが、
この基板を使うと無改造で片極性デコーダーを接続できます。
●FL12との比較。両極性化基板は7mm x 7mm と非常に小型です。
一方(^^;
両極性化基板の作りにくい事w
PADが小さくて配線しづらい
自分も作りたくないから(^^; キットとして配布しようかな。
先頭車両のライト基板を無改造で片極性デコーダーにつなげちゃおうという
例の基板が出来上がりました。
前回までの記事はこちら
できた基板はこんな感じです。大きさの参考としてFL12を載せました。
試しに5枚実装。
ROHMのUMA1NTRの実装がつらい;
定電流ダイオードとショットキバリアダイオードはちょっと奮発して
表面実装タイプを買ってきました。
ライナーから切り離して、ちょっとバリをヤスって完成です。
久しぶりにサージカルルーペを使いましたw
デコーダーテスターの端っこはヘッドライトとテールライトを想定した
両極型なので、NGDCCさんの DF19x4ss に両極性変換基板を接続して
Forwardでヘッドライト点灯
Recerseでテールライト点灯
というわけで、上手く動きました!
車両をDCC化する際にどうしてもライトユニットの改造が必要でしたが、
この基板を使うと無改造で片極性デコーダーを接続できます。
●FL12との比較。両極性化基板は7mm x 7mm と非常に小型です。
一方(^^;
両極性化基板の作りにくい事w
PADが小さくて配線しづらい
自分も作りたくないから(^^; キットとして配布しようかな。
ブログ内検索
カテゴリー
最新記事
(12/31)
(12/31)
(12/29)
(12/23)
(12/18)
リンク
プロフィール
HN:
あやのすけ
性別:
非公開

