あやの
NゲージをベースとしたDCCについての日記を 書いています。 ある程度貯まりましたら、鉄道模型のDCCのまとめサイトに まとめています。 借りている容量が最大に達しましたので、移転します。 ★移転先:http://maison-dcc.sblo.jp/
×
[PR]上記の広告は3ヶ月以上新規記事投稿のないブログに表示されています。新しい記事を書く事で広告が消えます。
未だ山にて修行中ですが、雪は結構とけました(まだ除雪した雪が山積みになっていますが)
まだダウンコートが必要です。さむっ。
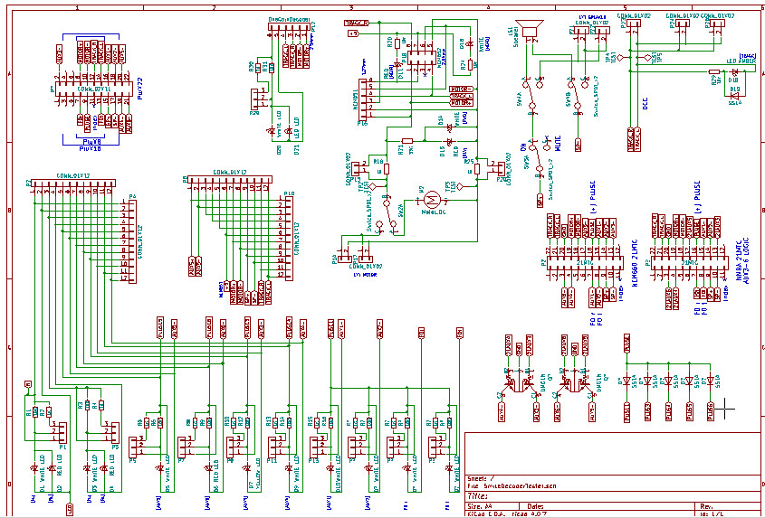
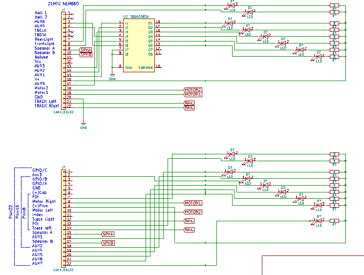
さて、今日は休みになったので、Smile Decoder Testerにちょっと向かいました。
I/Fの追加として、21MTC NEM660とPlux22を考えています。
21MTCは2種類くらいあるみたいで、3番ピンがHall3 だったり、Aux6だったりするようなのですが
とりあえずAux6が入っているタイプにしてみました。
で、21MTCのAUXはロジック出力なので、トランジスタアレイのTD62083を使ってみます。
Plux22はドライバ内蔵なのでそのまま出せばよさそう。
21MTCとPlux22はネット情報だけで回路図書いてみましたが、チェックしていただくと助かります。
まだダウンコートが必要です。さむっ。
さて、今日は休みになったので、Smile Decoder Testerにちょっと向かいました。
I/Fの追加として、21MTC NEM660とPlux22を考えています。
21MTCは2種類くらいあるみたいで、3番ピンがHall3 だったり、Aux6だったりするようなのですが
とりあえずAux6が入っているタイプにしてみました。
で、21MTCのAUXはロジック出力なので、トランジスタアレイのTD62083を使ってみます。
Plux22はドライバ内蔵なのでそのまま出せばよさそう。
21MTCとPlux22はネット情報だけで回路図書いてみましたが、チェックしていただくと助かります。
ブログ内検索
カテゴリー
最新記事
(12/31)
(12/31)
(12/29)
(12/23)
(12/18)
リンク
プロフィール
HN:
あやのすけ
性別:
非公開

