あやの
NゲージをベースとしたDCCについての日記を 書いています。 ある程度貯まりましたら、鉄道模型のDCCのまとめサイトに まとめています。 借りている容量が最大に達しましたので、移転します。 ★移転先:http://maison-dcc.sblo.jp/
×
[PR]上記の広告は3ヶ月以上新規記事投稿のないブログに表示されています。新しい記事を書く事で広告が消えます。
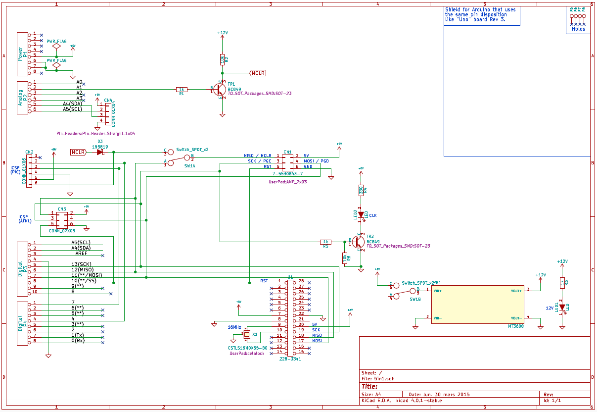
AtmelとPicとE2P-ROMの書き込みができるSmileWriter5in1ですが、ちょっと進展。
昇圧DC/DC基板のMT3608ですが、可変抵抗を反時計回りにかなり回すと昇圧
する基板がありました。
5枚中2枚は動きました(^^;; あとの3枚はVin側の入力抵抗が低くてダメっぽい。
カードエッヂコネクタの逆実装も、会社にある半田吸い取り器を使って直しました。
Arduinoからの電源供給で12Vができました!
リード部品を楽に外したいので、今度、例の
aitendoで売っている中空針吸い取りセットのカラフルなやつをebayで見つけたので、
買っておこうかな。
ちなみに、needles desolderingって言うみたい。
Hollow needles desoldering tool for electronic components Total good quality
aitendoで売っているやつは、$1.58で買えるみたいです。
昇圧DC/DC基板のMT3608ですが、可変抵抗を反時計回りにかなり回すと昇圧
する基板がありました。
5枚中2枚は動きました(^^;; あとの3枚はVin側の入力抵抗が低くてダメっぽい。
カードエッヂコネクタの逆実装も、会社にある半田吸い取り器を使って直しました。
Arduinoからの電源供給で12Vができました!
リード部品を楽に外したいので、今度、例の
aitendoで売っている中空針吸い取りセットのカラフルなやつをebayで見つけたので、
買っておこうかな。
ちなみに、needles desolderingって言うみたい。
Hollow needles desoldering tool for electronic components Total good quality
aitendoで売っているやつは、$1.58で買えるみたいです。
PR
ブログ内検索
カテゴリー
最新記事
(12/31)
(12/31)
(12/29)
(12/23)
(12/18)
リンク
プロフィール
HN:
あやのすけ
性別:
非公開

