あやの
NゲージをベースとしたDCCについての日記を 書いています。 ある程度貯まりましたら、鉄道模型のDCCのまとめサイトに まとめています。 借りている容量が最大に達しましたので、移転します。 ★移転先:http://maison-dcc.sblo.jp/
×
[PR]上記の広告は3ヶ月以上新規記事投稿のないブログに表示されています。新しい記事を書く事で広告が消えます。
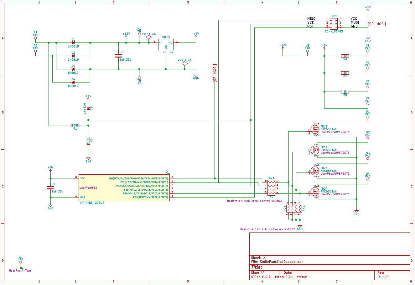
さて、土地が無いこともありSmile Function Decoderで使っているFETに
ゲート抵抗はありません。
http://dcc.client.jp/atiny85.html
でも、attiny85の出力ピンから、Hを出力したFETの静電容量に、
瞬間に結構な電流が流れるます・・・
http://www.vishay.com/docs/63719/an608_ja.pdf
ずっと気になっていたのですがこういうのって・・・
・ホビーユースなので気にしない。
・使い捨て?!なので気にしない。
・単発のON/OFF制御はいいかもしれないけど、電流制限しないでPWMを出すと壊れるよね?
・ATTINYの出力インピーダンスが高いから気にしない?
・売る事を考えるなら、ちゃんとつけようよ。
で、こーんな抵抗ならなんとか乗るかなーと。
チップネットワークKOA
あーでも、秋月やaitendoで買えないデバイスだ・・・
ゲート抵抗はありません。
http://dcc.client.jp/atiny85.html
でも、attiny85の出力ピンから、Hを出力したFETの静電容量に、
瞬間に結構な電流が流れるます・・・
http://www.vishay.com/docs/63719/an608_ja.pdf
ずっと気になっていたのですがこういうのって・・・
・ホビーユースなので気にしない。
・使い捨て?!なので気にしない。
・単発のON/OFF制御はいいかもしれないけど、電流制限しないでPWMを出すと壊れるよね?
・ATTINYの出力インピーダンスが高いから気にしない?
・売る事を考えるなら、ちゃんとつけようよ。
で、こーんな抵抗ならなんとか乗るかなーと。
チップネットワークKOA
あーでも、秋月やaitendoで買えないデバイスだ・・・
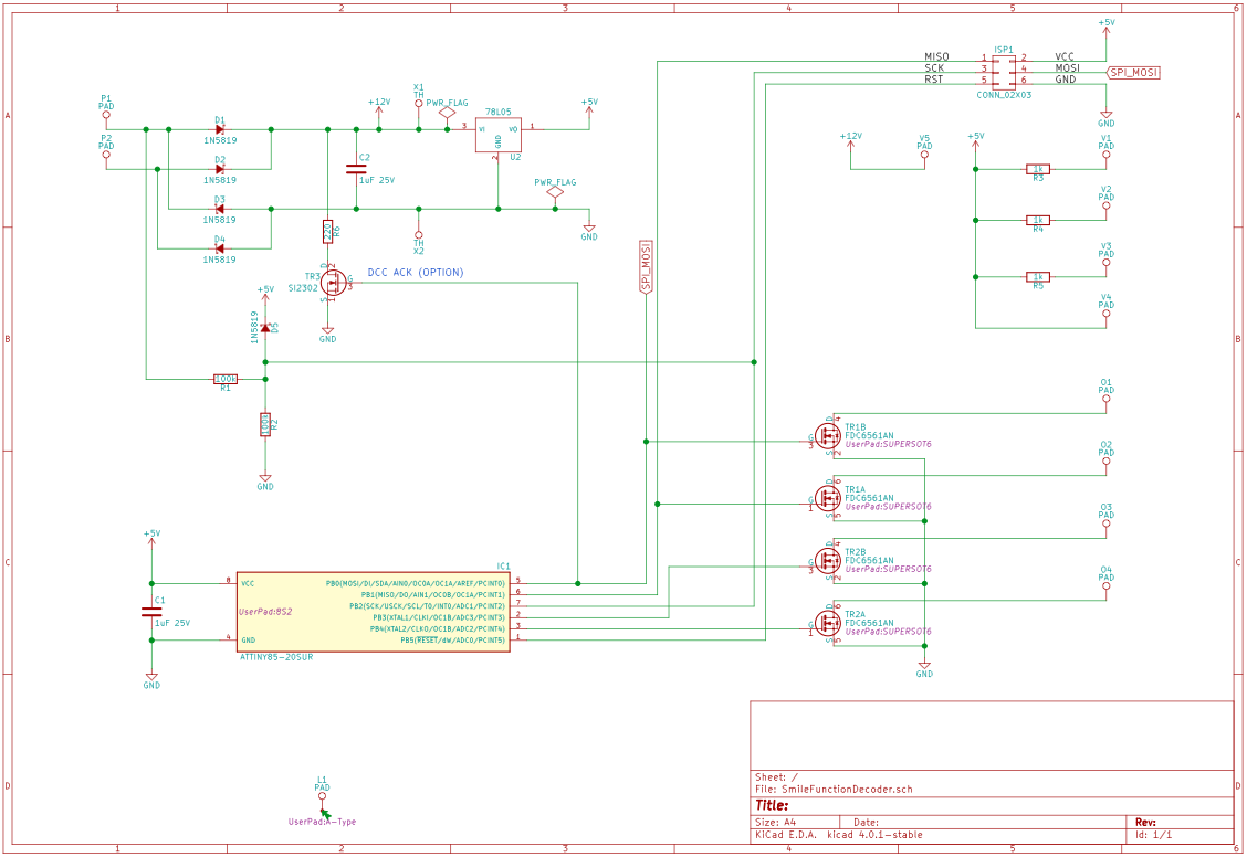
やあさんからDCC ackについて教えてもらって、回路を追加してみました。
参考にしたのは以下の回路
http://www.unrealtom.de/Anleitung_F-Dec.pdf
60mAの負荷とACKを兼ねてR6とTR3(SI2302)を追加。
ACKを使うと、ファンクッションが1つ減って3FXになります。
部品は載るけど、パターンが通らないですね。
R2を未実装にして、R1の抵抗値を変更して、ぬっきーさんのデコーダーの様に、
すれば良いかな。
ということで、上の回路はパターンが引けないのでボツに。
参考にしたのは以下の回路
http://www.unrealtom.de/Anleitung_F-Dec.pdf
60mAの負荷とACKを兼ねてR6とTR3(SI2302)を追加。
ACKを使うと、ファンクッションが1つ減って3FXになります。
部品は載るけど、パターンが通らないですね。
R2を未実装にして、R1の抵抗値を変更して、ぬっきーさんのデコーダーの様に、
すれば良いかな。
ということで、上の回路はパターンが引けないのでボツに。
ブログ内検索
カテゴリー
最新記事
(12/31)
(12/31)
(12/29)
(12/23)
(12/18)
リンク
プロフィール
HN:
あやのすけ
性別:
非公開

