あやの
NゲージをベースとしたDCCについての日記を 書いています。 ある程度貯まりましたら、鉄道模型のDCCのまとめサイトに まとめています。 借りている容量が最大に達しましたので、移転します。 ★移転先:http://maison-dcc.sblo.jp/
×
[PR]上記の広告は3ヶ月以上新規記事投稿のないブログに表示されています。新しい記事を書く事で広告が消えます。
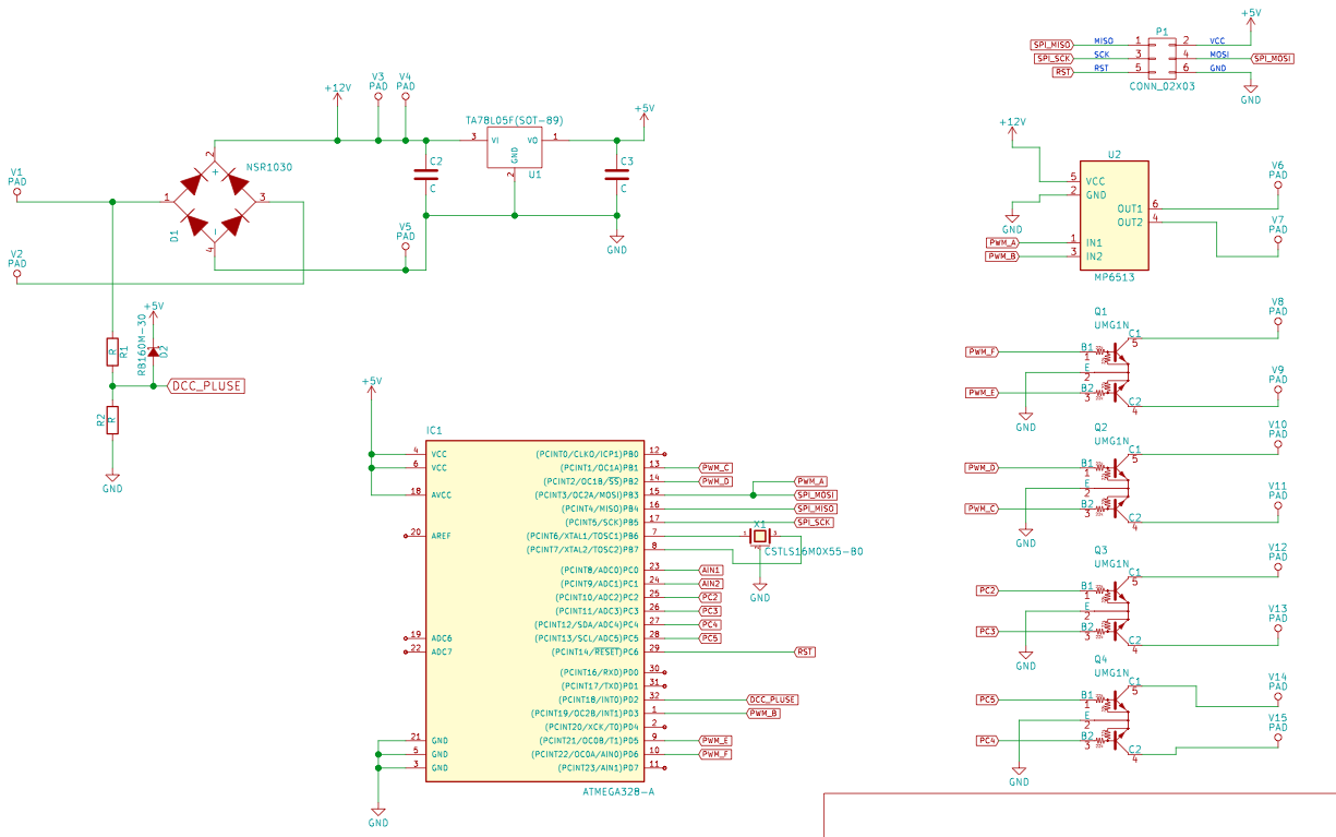
SmileDecoderTester改版しました
・21MTCのパターン修正
・基板の角を丸くした
購入はこちらで! 今回、5セット用意しました!
Smile Decoder Tester資料
※組み立て例
・21MTCのパターン修正
・基板の角を丸くした
購入はこちらで! 今回、5セット用意しました!
Smile Decoder Tester資料
※組み立て例
PR
DCC電子工作連合のデコーダも板厚1.6mmから、0.6mmタイプへの移行が進んでいます。
OneCoinデコーダーは0.6mmタイプの配布が始まっています。
スマイラーさんからスマイルライターCOMBOを配布してもらいましたので、
早速組み立てて見ました。
KiCADを使ってみよう! 「スマイルライターCOMBO」の製作 その3
ライターのプログラムはArduino NANOが司っていますので、私の場合Macなんで、
USBシリアル変換ICがFTDIタイプのArduino NANOを使用します(赤い!)
使用している部品はDIPなのですぐに作れました。
ん、Thinは薄い。Slimはスリム?
アクリル板の用意されています。
※アクリルの傷防止用の保護シートが貼ったままなので白っぽくなっています。
(私としてはこれは、これで良いかなと(^^
このコネクタに1.6mmは刺しちゃダメだったかなーと思ったけど、
自分的に左側は1.6mm。
右側に0.6mmデコーダーを接続しました。
1.6mm / 0.6mm兼用ライターが配布されると、便利ですね!
OneCoinデコーダーは0.6mmタイプの配布が始まっています。
スマイラーさんからスマイルライターCOMBOを配布してもらいましたので、
早速組み立てて見ました。
KiCADを使ってみよう! 「スマイルライターCOMBO」の製作 その3
ライターのプログラムはArduino NANOが司っていますので、私の場合Macなんで、
USBシリアル変換ICがFTDIタイプのArduino NANOを使用します(赤い!)
使用している部品はDIPなのですぐに作れました。
ん、Thinは薄い。Slimはスリム?
アクリル板の用意されています。
※アクリルの傷防止用の保護シートが貼ったままなので白っぽくなっています。
(私としてはこれは、これで良いかなと(^^
このコネクタに1.6mmは刺しちゃダメだったかなーと思ったけど、
自分的に左側は1.6mm。
右側に0.6mmデコーダーを接続しました。
1.6mm / 0.6mm兼用ライターが配布されると、便利ですね!
DSair2 チャレンジャーキットを、DCC電子工作連合内で評価を始めています。
組み立て時の気になった細かいところはYaasanに報告しておきました。
私の持っているPCはMac mini macOS High Sierraなので、シリアルUSB変換ICのCH340は
どうあがいても認識しないので、FTDIタイプのAruino Nanoに載せ替えます。
いきなり完成!
手のひらサイズで小さくて可愛い!
さて、FlashAirにDSair2のファイルをコピーします。
Macで隠しフォルダを表示させるのは、[command] + [shift] + [.(ドット)]で隠しフォルダ
ファイルの表示ができます。
はい、見えました。
今回は、フジガヤさんが、DSAir用のUIを切り替えられるようにしてくれましたので、
ちょっと改良しました。
ファイルはこちら。
こんな感じに画面のサムネイルを表示させるようにしただけです。
よかったらどうぞです(^^)
DSair2は、ほんと小さくてYシャツの胸ポケットにもすっぽり入ります!
Gパンのポケットにもすっぽり!
(写真の演出上少しDSair2を出していますが、ポケットに押し込むと完全に収まります!
■DCC電子工作連合メンバーのDSair2 チャレンジキットの組み立て報告
電機屋の毎日
ゲヌマ・フジガヤ2
我唯足知(新・スマイラーのページ)
Endless Trail(MECYさん)
なごでんの日記
へのへのもへじのおもちゃ箱
組み立て時の気になった細かいところはYaasanに報告しておきました。
私の持っているPCはMac mini macOS High Sierraなので、シリアルUSB変換ICのCH340は
どうあがいても認識しないので、FTDIタイプのAruino Nanoに載せ替えます。
いきなり完成!
手のひらサイズで小さくて可愛い!
さて、FlashAirにDSair2のファイルをコピーします。
Macで隠しフォルダを表示させるのは、[command] + [shift] + [.(ドット)]で隠しフォルダ
ファイルの表示ができます。
はい、見えました。
今回は、フジガヤさんが、DSAir用のUIを切り替えられるようにしてくれましたので、
ちょっと改良しました。
ファイルはこちら。
こんな感じに画面のサムネイルを表示させるようにしただけです。
よかったらどうぞです(^^)
DSair2は、ほんと小さくてYシャツの胸ポケットにもすっぽり入ります!
Gパンのポケットにもすっぽり!
(写真の演出上少しDSair2を出していますが、ポケットに押し込むと完全に収まります!
■DCC電子工作連合メンバーのDSair2 チャレンジキットの組み立て報告
電機屋の毎日
ゲヌマ・フジガヤ2
我唯足知(新・スマイラーのページ)
Endless Trail(MECYさん)
なごでんの日記
へのへのもへじのおもちゃ箱
ブログ内検索
カテゴリー
最新記事
(12/31)
(12/31)
(12/29)
(12/23)
(12/18)
リンク
プロフィール
HN:
あやのすけ
性別:
非公開

