あやの
NゲージをベースとしたDCCについての日記を 書いています。 ある程度貯まりましたら、鉄道模型のDCCのまとめサイトに まとめています。 借りている容量が最大に達しましたので、移転します。 ★移転先:http://maison-dcc.sblo.jp/
×
[PR]上記の広告は3ヶ月以上新規記事投稿のないブログに表示されています。新しい記事を書く事で広告が消えます。
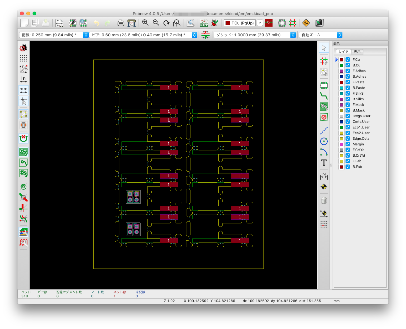
Elecrowに面付けを依頼すると、2-5 copies + $8掛かってしまいます。
だったら、自分で面付けしたガーバデータを作ってしまえば安く大量に
面付けできるのではないかとちょっとやってみました。
Pcbnewを単独で起動させて、ファイル→ボード追加で取り込んで、
あとは、複製を使って増殖させてみました。
リフロー装置でリフローできる様に捨て基板を付けます。
捨て基板は10mm幅で搬送用基準穴とフィディユーシャルマークを付けてました。
基板間は2mm、接続部も2mm幅でキリ穴φ0.3mmで、0.4mmピッチで開けてみました。
板厚は0.6mmで作ります。
やあさんが作られたトマランの面付けを調べると、切穴φ0.3mmで0.4mmピッチで
ミシン目が作られていたので、同じ様に作れるかなと思って、真似してみました。
そのうち作るかもです。
だったら、自分で面付けしたガーバデータを作ってしまえば安く大量に
面付けできるのではないかとちょっとやってみました。
Pcbnewを単独で起動させて、ファイル→ボード追加で取り込んで、
あとは、複製を使って増殖させてみました。
リフロー装置でリフローできる様に捨て基板を付けます。
捨て基板は10mm幅で搬送用基準穴とフィディユーシャルマークを付けてました。
基板間は2mm、接続部も2mm幅でキリ穴φ0.3mmで、0.4mmピッチで開けてみました。
板厚は0.6mmで作ります。
やあさんが作られたトマランの面付けを調べると、切穴φ0.3mmで0.4mmピッチで
ミシン目が作られていたので、同じ様に作れるかなと思って、真似してみました。
そのうち作るかもです。
DesignSpark Mechanicalでの3Dモデルの作り方は、いろんな人が試していますが、
Fusion360で作る方法はぐぐっても方法が出てこなかったので、
Fusion360を使ったKicad用の3Dモデル作成を試してみました。
SOT-89のモデルを作成
元々入っている、三端子レギュレータは青くて変だったのですが、まともになりましたw
詳しくは Webにまとめました。
Fusion360で作る方法はぐぐっても方法が出てこなかったので、
Fusion360を使ったKicad用の3Dモデル作成を試してみました。
SOT-89のモデルを作成
元々入っている、三端子レギュレータは青くて変だったのですが、まともになりましたw
詳しくは Webにまとめました。
ちょっと前に作った、Smile Writer 6in1 を題材にして、kicad の
Autorouter を使用して自動配線させます。
最後は、ベタGNDを設定させて動画終わります。
やっつけで作ったので、動画中に説明はありませんw
本来の手順は、自分がこうあるべき配線を先に行っておいて、細かなところは、
Autorouter にやらせています。
さらに、納得いかない配線は手動で直したりします。
kicadって押しのけ配線や、縁面を自動に避けてくれるので、手動配線でも
結構楽にできちゃったりします。
Autorouter を使用して自動配線させます。
最後は、ベタGNDを設定させて動画終わります。
やっつけで作ったので、動画中に説明はありませんw
本来の手順は、自分がこうあるべき配線を先に行っておいて、細かなところは、
Autorouter にやらせています。
さらに、納得いかない配線は手動で直したりします。
kicadって押しのけ配線や、縁面を自動に避けてくれるので、手動配線でも
結構楽にできちゃったりします。
ブログ内検索
カテゴリー
最新記事
(12/31)
(12/31)
(12/29)
(12/23)
(12/18)
リンク
プロフィール
HN:
あやのすけ
性別:
非公開

