あやの
NゲージをベースとしたDCCについての日記を 書いています。 ある程度貯まりましたら、鉄道模型のDCCのまとめサイトに まとめています。 借りている容量が最大に達しましたので、移転します。 ★移転先:http://maison-dcc.sblo.jp/
×
[PR]上記の広告は3ヶ月以上新規記事投稿のないブログに表示されています。新しい記事を書く事で広告が消えます。
なんかどっかに書いた気がしますが、
電機屋の毎日のブログに「PowerPack for Poormanを設計する」の記事と、
Nagodenさんが「何て言えば良いだろうSuperTOMARUN?」の記事を
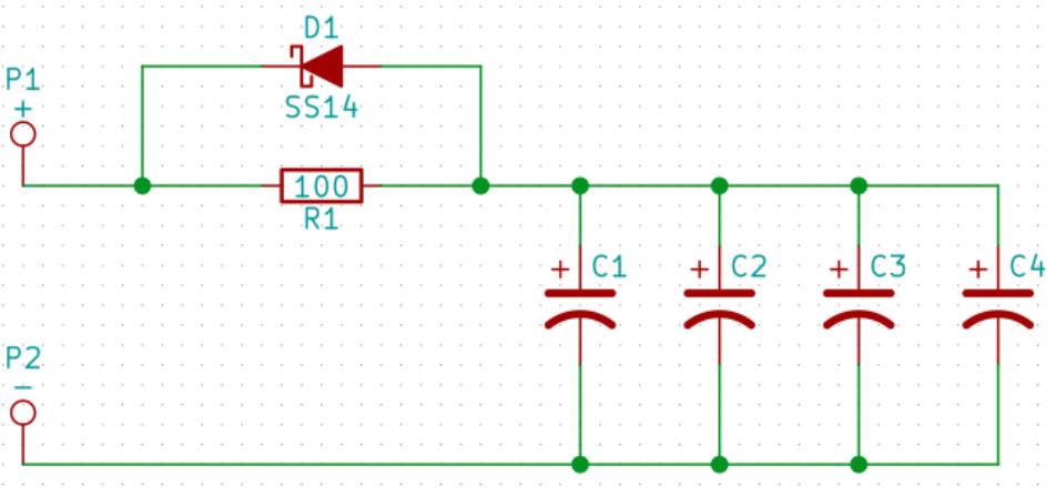
書かれたので、便乗して、トマランSP(SuperCapacitor)
12Vから3Vに降圧、12Vの昇圧回路とPower Pathという理想ダイオードスイッチ。
妄想な回路なので多分動かない。
電機屋の毎日のブログに「PowerPack for Poormanを設計する」の記事と、
Nagodenさんが「何て言えば良いだろうSuperTOMARUN?」の記事を
書かれたので、便乗して、トマランSP(SuperCapacitor)
12Vから3Vに降圧、12Vの昇圧回路とPower Pathという理想ダイオードスイッチ。
妄想な回路なので多分動かない。
PR
ついに禁断のトマランコンデンサの配布を行います。
↓ショッピングカート
TOMA-RUN With Tantalum
生基板7枚、100Ω抵抗7個、SS14ダイオード7個の構成です。
タンタルコンデンサは在庫を持つ財力がないので(^^;
別途ショップでお求めください。
禁断だけにあって、ご使用は自己責任でお願いします。
すでにタンタルコンデンサをご使用されている方は、そのままご使用できるかと思います。
取り付け例は、こちらを参照ください。
■■■■■■■■■■■■■■■■
その他の記事
あやの配布
↓ショッピングカート
TOMA-RUN With Tantalum
生基板7枚、100Ω抵抗7個、SS14ダイオード7個の構成です。
タンタルコンデンサは在庫を持つ財力がないので(^^;
別途ショップでお求めください。
禁断だけにあって、ご使用は自己責任でお願いします。
すでにタンタルコンデンサをご使用されている方は、そのままご使用できるかと思います。
取り付け例は、こちらを参照ください。
■■■■■■■■■■■■■■■■
その他の記事
あやの配布
DCCデコーダの安定動作に欠かせない、電解コンデンサですが、
YaasanがSuperトマラン(妄想)をしていましたね。
ちょっと前に私がTOMA-RUN タンタルコンデンサ版を妄想していたのですが、
基板が出来上がりましたので、報告します。
まずはフォルムをw
ルビコンの電解コンデンサ 25V 220uF 直径6.5mm 高さ11.7mm (実測)
TOMA-RUN With Tantalum 11.1mm x 10.1mm x 3.6mm (実測)
※写真では16V 220uFのタンタルコンデンサを2個実装しています。
電解コンデンサが円柱形状に対して、TOMA-RUN With Tantalumはタンタルコンデンサを
使うことで平べったい形状になるためNゲージ実装に最適です。
しかも、トマランの機能であるショットキバリアダイオード(低vf)と
充電抵抗(100Ωをハンダ面側に実装)も実装済み
YaasanがSuperトマラン(妄想)をしていましたね。
ちょっと前に私がTOMA-RUN タンタルコンデンサ版を妄想していたのですが、
基板が出来上がりましたので、報告します。
まずはフォルムをw
ルビコンの電解コンデンサ 25V 220uF 直径6.5mm 高さ11.7mm (実測)
TOMA-RUN With Tantalum 11.1mm x 10.1mm x 3.6mm (実測)
※写真では16V 220uFのタンタルコンデンサを2個実装しています。
電解コンデンサが円柱形状に対して、TOMA-RUN With Tantalumはタンタルコンデンサを
使うことで平べったい形状になるためNゲージ実装に最適です。
しかも、トマランの機能であるショットキバリアダイオード(低vf)と
充電抵抗(100Ωをハンダ面側に実装)も実装済み
■TOMA-RUN With Tantalumの仕様
・使用するのは自己責任
・大きさ 10mm x 11mm 板厚0.6mm
・大きさ 10mm x 11mm 板厚0.6mm
・トマラン回路装備
・2312(6032)または2917(7343)サイズのタンタルコンデンサが実装可能
・2312(6032)または2917(7343)サイズのタンタルコンデンサが実装可能
・220uFを使うと部品面に2個、半田面に2個実装すると、最大880uF実装可能。
・車両実装時に目立たないように黒色基板で製作。
(タンタルコンデンサが黄色なのでこっちが目立ちますね。※黒いタイプもあります)
■■■■■■■■■■■■■■■■
その他の記事
あやの配布
・車両実装時に目立たないように黒色基板で製作。
(タンタルコンデンサが黄色なのでこっちが目立ちますね。※黒いタイプもあります)
■■■■■■■■■■■■■■■■
その他の記事
あやの配布
キワモノシリーズの
トマランコンデンサのタンタルコンデンサ版を考えています。
電解コンデンサって、丸っこいから、Nゲージに入れるときにちょっとアレですよね。
セラミックコンデンサはDCバイアス問題により容量が大幅低下しますし・・・
そこで、禁断のタンタルコンデンサです!
16V耐圧の、100uF、220uFが実装できます。
自己責任で使ってくださいという感じです。
また、KiCadで面付けしてみました。
■■■■■■■■■■■■■■■■
その他の記事
あやの配布
トマランコンデンサのタンタルコンデンサ版を考えています。
電解コンデンサって、丸っこいから、Nゲージに入れるときにちょっとアレですよね。
セラミックコンデンサはDCバイアス問題により容量が大幅低下しますし・・・
そこで、禁断のタンタルコンデンサです!
16V耐圧の、100uF、220uFが実装できます。
自己責任で使ってくださいという感じです。
また、KiCadで面付けしてみました。
■■■■■■■■■■■■■■■■
その他の記事
あやの配布
ブログ内検索
カテゴリー
最新記事
(12/31)
(12/31)
(12/29)
(12/23)
(12/18)
リンク
プロフィール
HN:
あやのすけ
性別:
非公開
| HOME |

